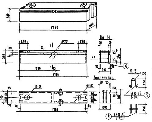
ВБ-18.3.3

Чертеж изделия:
Чертеж ВБ-18.3.3
Характеристики изделия:
ПараметрЗначение
Длина1780 мм
Ширина300 мм
Высота340 мм
Масса315 кг
Нормативный документСерия 1.134-1

ВБ-18.3.3   Блоки внутренних стен горизонтальные по Серии 1.134-1.