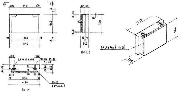
НБО-12.8.3

Чертеж изделия:
Чертеж НБО-12.8.3
Характеристики изделия:
ПараметрЗначение
Длина1190 мм
Ширина320 мм
Высота760 мм
Масса525 кг
Нормативный документСерия 1.133-1

Стеновые легкобетонные блоки толщиной 40 см по Серии 1.133-1.

НБО-12.8.3  Подоконный блок.