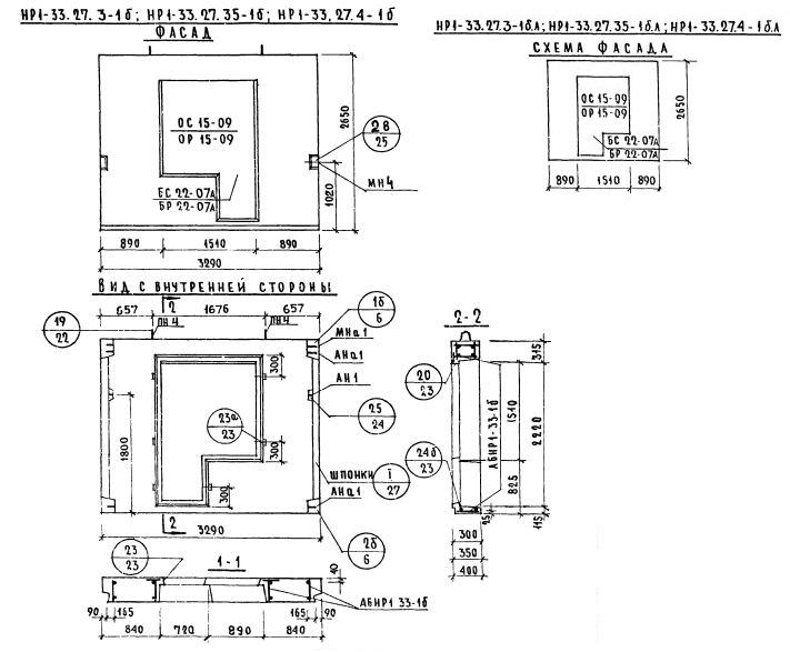
НР1-33.27.4-1б

Чертеж изделия:
Чертеж НР1-33.27.4-1б
Характеристики изделия:
ПараметрЗначение
Длина3290 мм
Ширина400 мм
Высота2650 мм
Масса3225 кг
Нормативный документСерия 1.132-1

НР1-33.27.4-1б   Наружная стеновая панель рядовая по Серии 1.132-1.